○米原市都市計画法等施行細則
平成18年2月1日
規則第2号
(趣旨)
第1条 この規則は、都市計画法(昭和43年法律第100号。以下「法」という。)の規定に基づく事務のうち、滋賀県知事の権限に属する事務の処理の特例に関する条例(平成18年滋賀県条例第71号)第2条の規定により米原市が処理する開発行為等の規制に関する事務の施行について、法、都市計画法施行令(昭和44年政令第158号。以下「政令」という。)、都市計画法施行規則(昭和44年建設省令第49号。以下「省令」という。)および米原市都市計画法に基づく開発許可等の基準に関する条例(平成17年米原市条例第347号。以下「条例」という。)に定めるもののほか、必要な事項を定めるものとする。
(申請書等の様式)
第2条 法、政令および省令の規定による申請書等は、法令等に定めるもののほか、次に定める様式によるものとする。
(1) 法第25条第2項に規定する調査(測量)のための立入通知書 様式第1号
(2) 法第26条第1項に規定する障害物の伐除許可申請書 様式第2号
(3) 法第26条第1項に規定する障害物の伐除に係る意見聴取書 様式第3号
(4) 法第26条第2項に規定する障害物の伐除通知書 様式第4号
(5) 法第27条第1項および第2項ならびに法第82条第2項に規定する身分証明書 様式第5号
(6) 法第26条第1項および第3項に規定する障害物の伐除許可証 様式第6号
(7) 法第29条第1項の規定による開発行為許可書 様式第7号
(8) 省令第16条第2項に規定する設計説明書 様式第8号
(9) 省令第17条第1項第3号に規定する開発行為施行同意書 様式第9号
(10) 法第34条第13号の規定による届出書 様式第10号
(11) 法第35条の2第1項の規定による開発行為変更許可申請書 様式第11号
(12) 法第35条の2第1項の規定による開発行為変更許可書 様式第12号
(13) 法第35条の2第3項の規定による開発行為変更届出書 様式第13号
(14) 法第35条の2第3項の規定による開発行為変更届出受理通知書 様式第14号
(15) 法第37条第1号の規定による工事完了公告以前の建築物の建築または特定工作物の建設承認申請書 様式第15号
(16) 法第37条第1号の規定による工事完了公告以前の建築物の建築または特定工作物の建設承認書 様式第16号
(17) 法第41条第2項ただし書の規定による建築物特例許可申請書 様式第17号
(18) 法第41条第2項ただし書の規定による建築物特例許可書 様式第18号
(19) 法第42条第1項ただし書の規定による予定建築物等以外の建築物の建築または特定工作物の新設許可申請書 様式第19号
(20) 法第42条第1項ただし書の規定による予定建築物等以外の建築物の建築または特定工作物の新設許可書 様式第20号
(21) 法第43条第1項の規定による許可書 様式第21号
(22) 法第44条の規定による地位承継の届出の受理通知書 様式第22号
(23) 法第45条の規定による地位承継承認申請書 様式第23号
(24) 法第45条の規定による地位承継承認書 様式第24号
(25) 省令第36条第1項の規定による開発登録簿 様式第25号
(26) 法第53条第1項の規定による建築許可書 様式第26号
(27) 法第53条第1項の規定による建築不許可通知書 様式第27号
(28) 法第65条第1項の規定による都市計画事業地内行為許可申請書 様式第28号
(29) 法第65条第1項の規定による都市計画事業地内行為許可書 様式第29号
(30) 法第65条第1項の規定による都市計画事業地内行為不許可通知書 様式第30号
(31) 法第65条第2項の規定による都市計画事業地内行為許可についての意見聴取書様式第31号
(開発許可申請の添付図書)
第3条 法第29条第1項または第2項の規定による省令第16条に規定する開発行為許可申請書には、法第30条第2項に定める図書のほか、次に掲げる図書を添付しなければならない。
(1) 設計者の資格調書 様式第32号
(2) 申請者の資力信用調書 様式第33号
(3) 工事施行者の工事能力調書 様式第34号
(4) 開発区域内権利者一覧表 様式第35号
(5) 当該開発区域の土地の公図の写し
(6) 当該開発区域の土地に係る登記事項証明書
(7) 当該開発区域の土地の求積図(縮尺500分の1以上のもの)
(8) 排水流域図および水利計算書(縮尺5,000分の1以上のもの)
(9) 現況写真
(10) 前各号に掲げるもののほか、市長が特に必要と認める図書
2 前項第2号の申請者の資力信用調書には、次に掲げる書類を添付しなければならない。
(1) 直前2年分の法人税または所得税の納税証明書
(2) 法人の登記事項証明書(個人の場合は、住民票記載事項証明書)
(3) 法人にあっては直前事業年度の財務諸表
(4) 事業経歴書
3 第1項第3号の工事施行者の工事能力調書には、建設業の許可通知書の写し(許可を受けていない場合は、法人の登記事項証明書および事業経歴書)を添付しなければならない。
(開発行為変更許可申請書等)
第4条 開発行為の変更に係る許可を受けようとする者は、開発行為変更許可申請書に前条に定めた図書のうち開発行為の変更に伴いその内容が変更されるもののほか、変更理由を記載した書類を添付しなければならない。
(工事の着手届)
第5条 法第29条第1項または第2項の規定による許可を受けた者は、当該開発許可に係る工事に着手するまでに工事着手届出書(様式第36号)に工事工程表を添付し、市長に提出しなければならない。
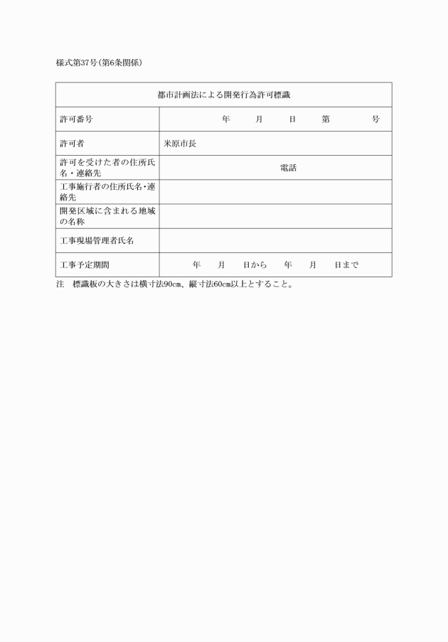
(開発行為許可標識の掲示)
第6条 開発許可を受けた者は、法による開発行為許可標識(様式第37号。以下「許可標識」という。)を、当該開発行為に関する工事に着手した日から法第36条第3項の規定による公告の日まで当該開発区域内の見やすい場所に掲示するものとする。
2 開発許可を受けた者は、許可標識を工事現場に掲示したところを撮影した写真を速やかに市長に提出するものとする。
(工事完了の届出)
第7条 法第36条第1項の規定による届出は、省令第29条の規定による工事完了届出書に次に掲げる図書を添付し市長に提出しなければならない。
(1) 確定丈量図(縮尺500分の1以上のもの)
(2) 工事の施行状況が確認できる写真
(3) 前2号に掲げるもののほか、市長が特に必要と認める図書
(公共施設工事完了の届出)
第8条 法第36条第1項の規定による届出のうち、公共施設工事完了の届出は、省令第29条の規定による公共施設工事完了届出書に、次に掲げる図書を添付し、市長に提出しなければならない。
(1) 確定丈量図(縮尺500分の1以上のもの)
(2) 工事の施行状況が確認できる写真
(3) 前2号に掲げるもののほか、市長が特に必要と認める図書
(建築制限等の解除の承認申請)
第9条 法第37条第1号の規定による承認を受けようとする者は、工事完了公告以前の建築物の建築または特定工作物の建設承認申請書に、次に掲げる図書を添付し、市長に提出しなければならない。
(1) 承認申請に係る理由および許可を受けた工事の完了年月日を記載した図書
(2) 計画平面図(縮尺500分の1以上のもの)
(3) 建築物の配置図、平面図および立面図(縮尺200分の1以上のもの)
(4) 断面図(縮尺100分の1以上のもの)
(5) 現況写真
(工事廃止の届出)
第10条 法第38条の規定による届出は、省令第32条に規定する開発行為に関する工事の廃止の届出書に、次に掲げる図書を添付して行わなければならない。
(1) 当該工事の廃止の理由書
(2) 既に着手している工事を廃止する場合にあっては、廃止に伴う処置を記載した図書および廃止したときの土地の現況図(縮尺500分の1以上のもの)
(市街化調整区域における建築物の特例許可の申請)
第11条 法第41条第2項ただし書の規定による建築物の特例許可を受けようとする者は、建築物特例許可申請書に、次に掲げる図書を添付し、市長に提出しなければならない。
(1) 建築物概要書(様式第38号)
(2) 付近見取図(方位、敷地の位置および敷地の周辺の公共施設を明示すること。)
(3) 敷地現況図および配置図(敷地の境界および建築物の位置を明示すること。)
(4) 建築物平面図(当該許可申請が建築物の高さに係る場合には立面図を含む。)
(5) 前各号に掲げるもののほか、市長が特に必要と認める図書
(予定建築物等以外の許可の申請)
第12条 法第42条第1項ただし書の規定による建築物または特定工作物の許可を受けようとする者は、予定建築物等以外の建築物の建築または特定工作物の新設許可申請書に前条各号に掲げる図書を添付し、市長に提出しなければならない。
(建築物の新築等の許可の申請)
第13条 法第43条第1項の規定による許可を受けようとする者は、省令第34条第1項に定める建築物の新築、改築もしくは用途の変更または第1種特定工作物の新設許可申請書に同条第2項に定める図面のほか、次に掲げる図書を添付し、市長に提出しなければならない。
(1) 建築物概要書(様式第38号)
(2) 建築物平面図
(3) 前2号に掲げるもののほか、市長が特に必要と認める図書
(地位の承継の届出)
第14条 法第44条の規定による地位の承継をした者は、遅滞なく地位承継届出書(様式第39号)に承継の原因を証する書面を添付し、市長に提出しなければならない。
(地位の承継の承認申請)
第15条 法第45条の規定による地位の承継を受けようとする者は、地位承継承認申請書に、次に掲げる書類を添付し、市長に提出しなければならない。
(1) 土地の所有権その他当該開発行為に関する工事を施行する権原を取得したことを証する書類
(2) 省令第16条第5項に定める資金計画書
(3) 第3条第1項第2号に規定する申請者の資力信用調書
(4) 前3号に掲げるもののほか、市長が特に必要と認める図書
(適合証明)
第16条 省令第60条の規定による証明書の交付を受けようとする者は、法の規定に適合する建築物等であることの証明書の交付願(様式第40号)に、次の図書を添付し、市長に提出しなければならない。
(1) 位置図(縮尺2,500分の1以上のもの)
(2) 現況図、土地利用計画図(縮尺500分の1以上のもの)、横断面図(縮尺100分の1以上のもの)および公図
(3) 建築物等の説明書
(4) 建物平面図および立面図
(5) 土地に係る登記事項証明書
(6) 前各号に掲げるもののほか、市長が特に必要と認める図書
(開発行為の規模等)
第18条 条例第5条第1項第2号ならびに別表第1項および第2項に規定する規則で定める開発行為の規模は、路地状通路部分のみによって道路に接する敷地の路地状通路部分その他建築敷地に適しない土地(以下「路地状通路部分等」という。)を除き、500平方メートルとする。
2 条例別表第3項に規定する規則で定める開発行為の規模は、路地状通路部分等を除き、500平方メートル(移転し、または除却する住宅の存する土地の1.5倍に相当する面積が500平方メートルを超える場合にあっては、当該1.5倍に相当する面積)とする。
(開発行為等の基準)
第19条 条例第5条第1項第2号に規定する規則で定める開発行為の基準は、次に掲げるとおりとする。
(1) 戸建てのもの
(2) 賃貸を目的とした住宅でないもの
(3) 開発行為の規模が、3,000平方メートル未満であるもの(隣接する土地において行われた開発行為と一体的な土地利用を行う場合は、一の開発行為とみなす。)
(4) 農地法(昭和27年法律第229号)第4条または第5条の規定による許可を受けたものにあっては、当該許可に係る工事の完了報告後、相当の期間が経過しているもの
(5) 1区画の敷地面積が、路地状通路部分等を除き、180平方メートル以上であるもの。ただし、隅切した敷地は165平方メートル以上であるもの
付則
この規則は、平成18年2月1日から施行する。
付則(平成19年8月1日規則第52号)
この規則は、公布の日から施行する。
付則(平成19年11月30日規則第62号)
この規則は、平成19年11月30日から施行する。
付則(平成20年12月19日規則第54号)
この規則は、公布の日から施行する。
付則(平成24年12月18日規則第41号)
この規則は、公布の日から施行する。
付則(平成25年4月1日規則第27号)
この規則は、平成25年5月1日から施行する。
付則(平成28年3月24日規則第49号)
この規則は、平成28年4月1日から施行する。
付則(令和元年9月27日規則第30号)
この規則中第1条の規定は令和元年10月1日から、第2条の規定は令和2年1月1日から施行する。
付則(令和3年4月1日規則第39号)
この規則は、令和3年4月1日から施行する。
付則(令和3年12月23日規則第67号)
(施行期日)
1 この規則は、令和4年4月1日から施行する。
(経過措置)
2 この規則の施行の日前に行われた法の規定による申請については、なお従前の例による。
付則(令和7年3月31日規則第13号)
この規則は、令和7年4月1日から施行する。

















































